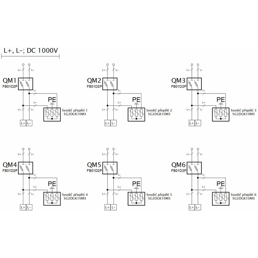
Fotovoltaická rozvodnice (rozváděč nízkého napětí) SolarBOX fr100L IP65 chránící DC vedení o max. napětí 1000V, pro šest stringů. Osazena jistícími a ochrannými prvky: 6 x pojistkový odpojovač 1000V DC, 2P 10x38, bez pojistek, 6 x svodič přepětí LOVATO 1000V DC typ II, 12x RSA svorka, použité pouzdro: 39421 - celkem k dispozici 42mod. míst, rozměry: 565x325x150mm, plastová, materiál ABS, IK08, zkouška žhavou smyčkou 650°C, bezhalogenová a UV odolná, montáž na povrch, barva: světle šedá, rozsah teplot -25°C + 70°C, aplikované normy: ČSN EN 61439-2 ed. 2, balení: 1ks (fólie), PE svorkovnice součástí (2x16 mm2 + 12x10 mm2) / N svorkovnice součástí (2x16 mm2 + 12x10 mm2), hladké boky (stěny) - pro vyvrtání otvoru a osazení vývodkou (vrchní a spodní strana má stěny s předlisovanými vstupy pro vyvrtání vstupního otvoru a následného osazení příslušnou vývodkou), dodáno s průvodní dokumentací: štítkem rozváděče, návodem pro obsluhu a montáž, krycím listem (charakteristiky rozhraní), protokolem o kusové zkoušce, ES prohlášením o shodě, schématem zapojení a zkouškou oteplení pro rozváděče nízkého napětí. Pro montáž na hořlavé podklady je nutné použít nehořlavou podložku. Recyklační poplatek je zahrnut v ceně výrobku.
Fotovoltaická rozvodnice FAMATEL SolarBOX fr100L IP65 chránící DC vedení o max. napětí 1000V, pro šest stringů. Osazena jistícími a ochrannými prvky: 6 x pojistkový odpojovač LOVATO 1000V DC, 2P 10x38, bez pojistek, 6 x svodič přepětí LOVATO 1100V DC typ II, použité pouzdro: 39421 - 565x325x150mm, barva: světle šedá.
Na těchto stránkách fungují cookies, které naše společnosti využívají. Jednotlivé typy cookies a jejich dobu zpracování naleznete popsané níže v tabulce. Zvolte prosím Vámi preferovanou variantu. Pokud byste nás potřebovali ohledně výkonu vašich práv v souvislosti se zpracováním cookies kontaktovat, obraťte se prosím na společnost, jejíž stránky procházíte, nebo na našeho Pověřence pro ochranu osobních údajů. Pokud si myslíte, že s osobními údaji nenakládáme, jak bychom měli, máte možnost podat stížnost u Úřadu pro ochranu osobních údajů. Budeme však rádi, pokud se nejdříve obrátíte přímo na nás a budeme tak moct Váš požadavek obratem vyřešit.
O aplikaci
Cookies jsou malé textové soubory, které mohou být používány webovými stránkami, aby učinily uživatelský zážitek více efektivní.
Aby se mohly webové stránky správně zobrazovat, potřebujeme sbírat tzv. technické cookies. Pro všechny ostatní typy cookies potřebujeme váš souhlas.
Tato stránka používá různé typy cookies. Některé cookies jsou umístěny službami třetích stran, které se objevují na našich stránkách.
Kdykoliv můžete změnit nebo zrušit svůj souhlas prostřednictvím Vyjádření o souborech cookies na našich webových stránkách.
Zjistěte v našich zásadách ochrany osobních údajů více o tom, kdo jsme, jak nás můžete kontaktovat a jak zpracováváme vaše osobní údaje.
Uveďte prosím ID svého souhlasu a datum, kdy nás budete kontaktovat ohledně vašeho souhlasu.
Nutné:
Jsou nezbytné pro správnou funkci e-shopu. Např. uchovávání produktů v košíku, nastavení, objednávkový proces a ukládání uživatelských nastavení. Tyto nutné cookies není možné deaktivovat.
Název
Účel
Poskytovatel
Vypršení
URL poskytovatele
ASP.NET_SessionId
Unikátní identifikátor session vytvářený automaticky
ASP.NET
Session
ndcconsent
Ukládá stav souhlasu uživatele se soubory cookies pro aktuální doménu.
Slouží k identifikaci první relace nového uživatele. Ukládá hodnotu true / false, která označuje, zda to bylo poprvé, kdy Hotjar viděl tohoto uživatele. Používají jej záznamové filtry k identifikaci nových uživatelských relací.
FoxEntry
30 minut
_hjSession_{id}
Soubor cookie Hotjar se nastavuje, když uživatel poprvé přistane na stránku se skriptem Hotjar. Používá se k zachování uživatelského ID Hotjar, jedinečného pro daný web v prohlížeči. To zajistí, že chování při následných návštěvách stejného webu bude připsáno stejnému ID uživatele.
FoxEntry
30 minut
_hjSessionUser_{id}
Soubor cookie, který obsahuje data aktuální relace. Následné požadavky v okně relace budou přiřazeny stejné relaci Hotjar.
FoxEntry
1 rok
foxentry-geo
Tento soubor cookie se používá pro funkci polí automatického doplňování adresy
FoxEntry
1 hodina
PHPSESSID
Cookie generované aplikacemi založenými na jazyce PHP. Toto je obecný identifikátor používaný k udržování proměnných relace uživatele. Obvykle se jedná o náhodně generované číslo, jak může být použito pro konkrétní web, ale dobrým příkladem je udržování přihlášeného stavu mezi uživateli mezi uživateli.
FoxEntry
6 měsíců
SERVERID
Používá se k udržení vaší relace zabezpečené během celé vaší návštěvy.
FoxEntry
Session
.GAIA.CJ
Používá se pro affiliate program vivnetworks.com
Affiliate
notifications_closed_by_user-s54g6s45
Informace o uzavření okna
Fastcentrik
Session
debug-mode-464s6544a4s54d
Informace pro ladění
Fastcentrik
Session
daily-activity-4sr7t872s4
Unikátní identifikátor aktuálního uživatele
Fastcentrik
1 měsíc
activity-id-asre4qwgre6
Unikátní identifikátor aktuálního uživatele
Fastcentrik
1 měsíc
Preferenční:
Využívají se pro uložení informací např. o posledně prohlíženém produktu, porovnávání, nebo uživatelskému nastavení e-shopu.
Název
Účel
Poskytovatel
Vypršení
URL poskytovatele
lang
Jazyk mutace
FastCentrik
Session
LSTVW
Posledně prohlížené zboží
FastCentrik
1 měsíc
Statistické:
Využívají se k analýze návštěvnosti a měření výkonu e-shopu nebo reklamních kampaní. Získaná data se zpracovávají bez identifikátorů, není možné rozlišit konkrétní uživatele a jejich osobní data.
Název
Účel
Poskytovatel
Vypršení
URL poskytovatele
_ga
Rozlišení uživatele
Google
2 roky
https://policies.google.com/privacy
_gat
Omezení rychlosti požadavků
Google
1 minuta
https://policies.google.com/privacy
_gid
Rozlišení uživatele
Google
1 den
https://policies.google.com/privacy
1P_JAR
Vytváří statistiky z webové stránky
Google
30 dní
_hjid
Nastaví jedinečné ID pro relaci. To umožňuje webu získávat údaje o chování návštěvníků pro statistické účely
Hotjar
6 měsíců
https://www.hotjar.com/legal/policies/privacy/
_hjAbsoluteSessionInProgress
Ukládá jedinečné návštěvy
FastCentrik
30 minut
_hjFirstSeen
Slouží k identifikaci první relace nového uživatele. Ukládá hodnotu true / false, která označuje, zda to bylo poprvé, kdy Hotjar viděl tohoto uživatele. Používají jej záznamové filtry k identifikaci nových uživatelských relací.
FastCentrik
30 minut
_hjSession_{id}
Soubor cookie Hotjar se nastavuje, když uživatel poprvé přistane na stránku se skriptem Hotjar. Používá se k zachování uživatelského ID Hotjar, jedinečného pro daný web v prohlížeči. To zajistí, že chování při následných návštěvách stejného webu bude připsáno stejnému ID uživatele.
FastCentrik
30 minut
_hjSessionUser_{id}
Soubor cookie, který obsahuje data aktuální relace. Následné požadavky v okně relace budou přiřazeny stejné relaci Hotjar.
FastCentrik
1 rok
_sl_session
app.notifikuj.cz
1 rok
email
app.notifikuj.cz
Session
_sl_analytics_visitor
app.notifikuj.cz
1 den
TawkConnectionTime
app.notifikuj.cz
Session
sl_activity
app.notifikuj.cz
1 rok
tp_mcd
app.notifikuj.cz
1 rok
_slid
app.notifikuj.cz
1 rok
SE20SessionUid
app.notifikuj.cz
1 rok
_gcl_au
.notifikuj.cz
2 měsíce
_ga_S0TTVD4DVP
.notifikuj.cz
2 roky
twk_uuid_{id}
.notifikuj.cz
6 měsíců
_ga
.notifikuj.cz
2 roky
_gid
.notifikuj.cz
1 den
_fbp
.notifikuj.cz
3 měsíce
__tawkuuid
.app.notifikuj.cz
5 měsíců
Marketingové:
Data těchto cookies je možné použít pro reklamní účely pro zobrazení relevantního obsahu kampaní nebo personalizovaných reklam např. doporučení produktů dle vašich potřeb a zájmů. Za tímto účelem mohou shromažďovat i potřebné osobní data.
Název
Účel
Poskytovatel
Vypršení
URL poskytovatele
_fbp
Facebook využívá cookie k zobrazování různých reklamních produktů, například nabídek inzerentů třetích stran v reálném čase
Facebook
3 měsíce
IDE
Používá se systémem Google DoubleClick pro registraci a hlášení kroků uživatele webové stránky po prohlédnutí nebo kliknutí na jednu z reklam inzerenta za účelem změření účinnosti reklamy a zasílání cílených reklam uživateli
Google
1 rok
NID
Zaregistruje jedinečné ID, které identifikuje zařízení vracejícího se uživatele. ID se používá pro cílené reklamy
Google
6 měsíců
sid
Ukládá uživatelské údaje napříč webem
Seznam
30 dní
DV
Ukládá informace o chování na stránce a sleduje reklamy před navštívením stránky k účelům následného využítí pro reklamu
Google
1 den
OGPC
Poskytování funkcí Google map
Google Ads
1 rok
OTZ
Používá se k podpoře reklamních služeb společnosti Google
Google
3 dny
__gfp_64b
Reklamní a cílené cookies
Google
5 měsíců
KADUSERCOOKIE
Společnost Seznam používá tyto cookies pro personalizaci reklamních sdělení
Seznam
3 měsíce
APNUID
Společnost Seznam používá tyto cookies pro personalizaci reklamních sdělení
Seznam
4 měsíce
Ds
Cookies používá seznam pro možnost zobrazování cílené reklamy
Seznam
1 rok
Ps
Nástroje Seznam.cz používáme pro zjišťování efektivnosti reklamy v závislosti na různých parametrech.
Seznam
5 let
Sid
Ukládá uživatelské údaje napříč webem
IMedia
30 dní
__insp_slim
Používá se pro zefektivnění streamování živého videa obsahu
Inspectlet
Session
https://www.inspectlet.com/legal#privacy
__insp_uid
Tento soubor cookie se používá ke shromažďování neosobních informací o chování návštěvníka a neosobních statistik návštěvníků, které může použít agentura pro cílení reklamy třetí strany
Inspectlet
Session
https://www.inspectlet.com/legal#privacy
__insp_wid
Používá se pro zefektivnění streamování živého videa obsahu
Inspectlet
Session
https://www.inspectlet.com/legal#privacy
__insp_nv
Používá se pro zefektivnění streamování živého videa obsahu
Inspectlet
Session
https://www.inspectlet.com/legal#privacy
2x __Secure-1PAPISID
Cílový soubor cookie. Používá se pro účely cílení k vytvoření profilu zájmů návštěvníků webových stránek za účelem zobrazení relevantní a personalizované reklamy Google.
Google
2 roky
2x __Secure-1PSID
Cílový soubor cookie. Používá se pro účely cílení k vytvoření profilu zájmů návštěvníků webových stránek za účelem zobrazení relevantní a personalizované reklamy Google.
Google
2 roky
2x __Secure-3PAPISID
Vytváří profil zájmů návštěvníků webových stránek, aby se jim prostřednictvím retargetingu zobrazovaly relevantní a personalizované reklamy
Google
2 roky
2x __Secure-3PSID
Vytváří profil zájmů návštěvníků webových stránek, aby se jim prostřednictvím retargetingu zobrazovaly relevantní a personalizované reklamy
Google
2 roky
__Secure-3PSIDCC
Cílový soubor cookie. Používá se pro účely cílení k vytvoření profilu zájmů návštěvníků webových stránek za účelem zobrazení relevantní a personalizované reklamy Google.
Google
1 rok
cmppersisttestcookie
Nástroje Seznam.cz používáme pro zjišťování efektivnosti reklamy v závislosti na různých parametrech.
Seznam
5 let
DSID
Nástroje Google používáme pro zjišťování efektivnosti reklamy v závislosti na různých parametrech.
DoubleClick
14 dní
Neklasifikované:
Používají se např pro ukládání informací o návštěvnících např pro hostovaná videa na Youtube, mapy, apod.
Název
Účel
Poskytovatel
Vypršení
URL poskytovatele
2x APISID
Google
2 roky
2x SSID
Google shromažďuje informace o návštěvnících pro videa hostovaná na YouTube na mapách integrovaných s Google Maps.